公司简介
﹥
公司资质
发展历程
搪玻璃设备
非标设备
环保设备
成套设备
甲醛成套技术
乙醛成套技术
甲酸成套技术
多效蒸发成套技术
企业风貌
产品发运
联系方式
在线咨询
products
产品类别
Category
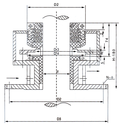
机械密封
212型机械密封参数:
212型四氟波纹管釜用机械密封为单端面小弹簧外流式聚四氟乙烯波纹管机构,主要用适于搪瓷搅拌密封。
适用范围:
温度:-10℃-120℃
压力:<0-0.5Mpa
转速:<500rpm
[ 返 回 ]
扫一扫
浏览我司移动平台
关于天建
新闻动态
产品中心
销售业绩
生产中心
联系我们
江苏鑫科天建化工设备制造有限公司 版权所有(C)2024 网络支持 著作权声明 网站地图